上海蒲友论坛
接待惠臨諸都會正一機器無限公司官方網站!
在線留言
|
接洽咱們
|
網站輿圖
諸都會正一機器無限公司
Zhucheng Zhengyi Machinery Co., LTD
天下游戲發賣電話: 138-6367-5570
網站首頁
對于咱們
公司先容
上海蒲友論壇: 企業文明
上海蒲友論壇: 接洽咱們
上海蒲友論壇: 消息中間
公司靜態
上海蒲友論壇: 行業消息
產物展現
上海蒲友論壇: 朋分器
上海蒲友論壇: 凸輪
上海蒲友論壇: 心軸型【DS】
上海蒲友論壇: 法蘭型【DF】
平板型【P】
平臺桌面型【DT】
超薄平臺桌面型【...
圓柱重負載型【BU...
上海蒲友論壇: 利用實例
辦事中間
在線留言
上海蒲友論壇: 接洽咱們
網站首頁
對于咱們
消息中間
產物展現
利用實例
辦事中間
在線留言
接洽咱們
產物展現
朋分器
凸輪
心軸型【DS】
法蘭型【DF】
平板型【P】
平臺桌面型【DT】
超薄平臺桌面型【DA】
圓柱重負載型【BU】
洽談咱倆 Contact Us
諸都會正一機器無限公司
手機:13863675570
德律風:0536-6155536
傳真:0536-6537700
地點:諸都會密州街道薛館路中段
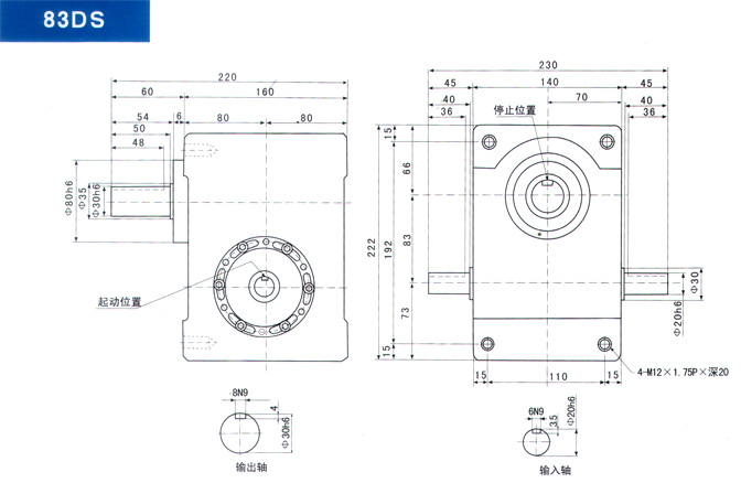
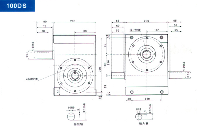
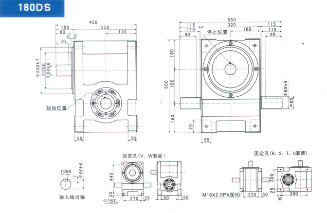
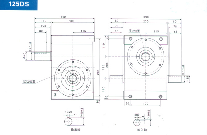
心軸型【DS】
您已后的實力:
首頁
上海蒲友論壇: 心軸型【DS】
檢查類型
心軸型朋分器
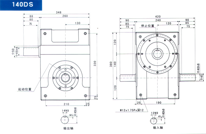
45DS、60DS、70DS、80DS、83DS、100DS、110DS、125DS、140DS、180DS、200DS、250DS
此系列機種為典范傳統式心軸外型,其子朋分器上加工裝置共同齒輪、聯軸器或聯軸盤,需出格重視孔徑公役(+0.015/-0)、及鍵槽公役(+0.015-0),其利用場所在保送帶驅動、齒輪驅動、無空隙聯軸器連系驅動占多數。
下一只:以是一只了 下1條:已去一開始1條了
相干產物
朋分器
朋分器
朋分器
朋分器